Rent vann gir en grønn suksesshistorie på Camp Akkasæter
I Camp Akkasæter i Blåtind skytefelt, Målselv kommune, har vi tatt i bruk et moderne renseanlegg som setter en høy standard for miljøvennlige løsninger.

Med ny teknologi og grundig planlegging har vi fått på plass et rensesystem som ivaretar både miljøet, naboenes bekymringer og framtidens behov.
98 prosent rent vann tilbake til naturen
Anlegget sørger for at vannet som renner ut i elva holder hele 98 prosent renhetsgrad. Det betyr at Forsvarsbygg har tatt innspillene fra innbyggerne og Målselv kommune på høyeste alvor. Utslippet fra avløpsrenseanlegget bidrar ikke til negativ påvirkning av vannkvaliteten, noe som var avgjørende da prosjektet startet opp.
- Naboenes innspill og ønsker om å forhindre forurensing har vært viktige for oss, og resultatet er et anlegg som leverer på både kvalitet og miljøhensyn. Dette er mer enn et teknisk prosjekt, det er en grønn suksesshistorie vi er stolte av å dele, forteller prosjektleder Knut Ness i Forsvarsbygg.
Det er Norconsult som har hatt forprosjektert og utarbeidelse av funksjonsbeskrivelsen av renseanlegget. Totalentreprenør Norvald Jørgensen AS har prosjektert og bygget anlegget
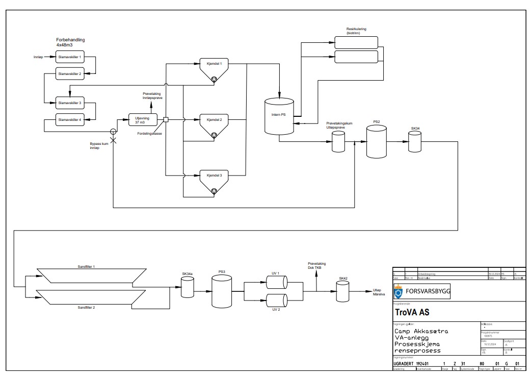
Teknologi i front
Renseanlegget bygger på kjemisk rensing som første hovedtrinn, noe som sikrer at prosessen fungerer nær maksimalt fra første dag. Selv om belastningen er minimal i perioder, er anlegget designet for å levere nesten maksimal renseeffekt, også ved plutselige topper i avløpsmengden.
Sikkerhet i alle ledd
For å unngå utslipp i situasjoner som strømbrudd, har vi lagt ned store fordrøyningstanker. Disse samler opp avløpsvannet til anlegget er i normal drift igjen. Dermed finnes det ingen overløpsmulighet av forurenset vann, en ekstra trygghet for både miljøet og nærområdet.
Bærekraftig miljø tas på alvor
Med dette renseanlegget tar Camp Akkasæter et stort skritt i retning av bærekraft og ansvarlig drift. Vi viser at moderne teknologi kan kombineres med strenge miljøkrav for å bevare naturen og sikkerhet for lokalsamfunnet.
Et annet miljøtiltak i Camp Akkasæter er at et av forlegningsbyggene er Svanemerket.
Nøkkelord
Kontakter
PressevaktTilgjengelig alle dager fra kl.07-19
Tel:47 7777 47pressevakt@forsvarsbygg.noBilder




Følg pressemeldinger fra Forsvarsbygg
Registrer deg med din e-postadresse under for å få de nyeste sakene fra Forsvarsbygg på e-post fortløpende. Du kan melde deg av når som helst.
Siste pressemeldinger fra Forsvarsbygg
Nye boenheter styrker beredskapen8.1.2026 10:01:46 CET | Pressemelding
Forsvaret har fått betydelig tilskudd til sin infrastruktur i Indre Troms. Ved inngangen til året er 30 nye kvarter på Skjold og en moderne mannskapsforlegning med plass til 192 vernepliktige på Bardufoss overlevert.
Sjef Hæren åpnet ny midlertidig bru over Rena elv18.12.2025 16:07:01 CET | Pressemelding
Forsvarsbygg og Hærens ingeniørsoldater har sammen fått brua på plass. Torsdag 18.desember ble den nye brua, «Hertzberg bru», formelt åpnet og tatt i bruk.
Forsvarsbygg tildeler ny rammeavtale for strategisk EBA-rådgiving11.12.2025 11:42:33 CET | Pressemelding
Forsvarsbygg har gjennomført konkurranse på rammeavtale for strategisk EBA-rådgiving. Evalueringa er no avslutta og det er sendt ut melding om innstilling til kontrakt til følgjande leverandørar: A-leverandør: Multiconsult Norge B-leverandør: Advansia AS C-leverandør: 3RW Arkitekter AS
Noreg styrker mottakskapasiteten for allierte styrkar2.12.2025 10:49:18 CET | Pressemelding
Elvegårdsmoen i Bjerkvik, Narvik kommune, er klar til å lagre tyngre militært materiell for allierte styrkar. Forsvarsbygg har i tett samarbeid med Forsvaret utvikla og fått på plass dette mottakssområdet.
Forsvarsbygg signerte kontrakt for bygningsarbeider for nytt radaranlegg7.11.2025 08:52:46 CET | Pressemelding
Finnmarksentreprenøren Harald Nilsen AS har fått oppdraget med å bygge det planlagte radaranlegget på Magerøya i Nordkapp kommune. Kontrakten har en verdi på 113 millioner kroner.
I vårt presserom finner du alle våre siste pressemeldinger, kontaktpersoner, bilder, dokumenter og annen relevant informasjon om oss.
Besøk vårt presserom